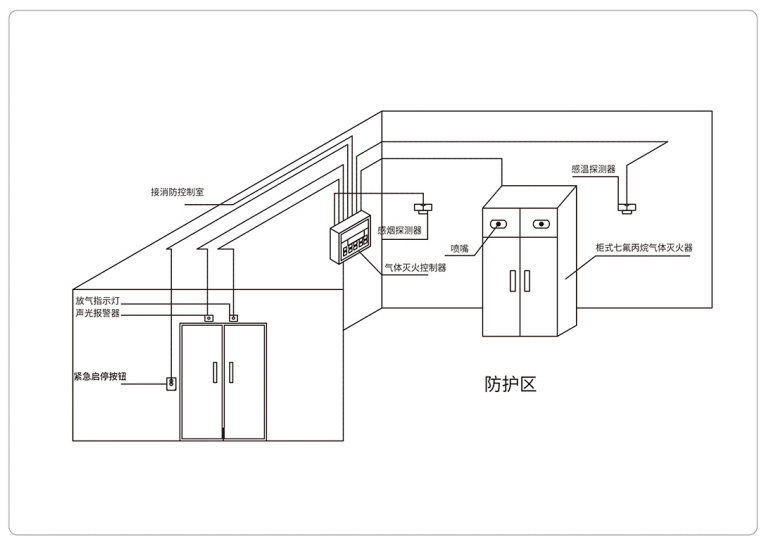
柜式七氟丙烷气体灭火装置安装示意图
- 发表时间:2022-01-02
- 来源:网络
- 人气:
柜式七氟丙烷气体灭火装置安装示意图
柜式七氟丙烷气体灭火系统维保_气体灭火装置安装_厦门气体灭火器充装

说明
1、防护区应有足够宽的疏散通道和出口,保证人员在30s内能撤出防护区。应设应急照明与疏散指示标志。防护区的入口应设火灾声光报警器和灭火喷放指示的门灯以及紧急启停按钮,以及防护区采用了七氟丙烷保护的标志牌。喷放门灯指示,应保持到防护区通风换气后手动去除。
2、防护区的门应向外开启,并能自行关闭;疏散出口的门,必须能从防护区内打开。
3、灭火后的防护区应通风换气,地下防护区和无窗或设固定窗扇的地上防护区,应设置机械排风装置,排风口宜设在防护区的下部并应直通室外。
七氟丙烷灭火设备动作程序图

说明
1、七氟丙烷气体灭火系统设有自动控制、手动控制和机械应急操作三种方式;
2、对于无管网(柜式)}预制灭火系统,《气体灭火系统设计规范》GB 50370 2005仅要求设自动控制和手动控制两种启动方式。
3、当防护区内有人工作时,应将设在防护区门外的“自动/手动转换开关”切换到手动控制状态。如有火警发生,控制器只发出报警信号,不输出动作指令,值班人员确认火警后按下控制器面板上或防护区门外的紧急启动按钮实施灭火。人员离开时,应将转换开关恢复为自动控制状态。在自动控制状态下,仍可优先实施系统手动控制。
4、采用自动控制方式时,为确保防护区内人员安全撤离,应设置不大于30s的灭火剂喷放延迟,对于平时无人工作的防护区,则可设置为无延迟的灭火剂喷放。
5、紧急停止:当系统发出火灾警报,在延迟时间内确认未发生火情,或虽有火情但已被扑灭,不需要启动灭火系统进行灭火时,可按下手动控制盒内或火灾自动报警灭火控制器上的紧急停止按钮,即可阻止控制器灭火指令的发出,终止系统灭火程序。
6、本图手动控制实际上是指当现场人员按下紧急启动按钮后,仍需通过电气方式才能启动系统的控制方式。
- 2025-09-30灭火器专业维保全解析
- 2023-01-03泉州消防器材批发
- 2023-01-03物业消防维保
- 2023-01-03《灭火器维修》GA95-2015(全文)
- 2022-12-15消防维保_灭火器年检
- 2022-05-19水基型灭火器原理、特点及维保
- 2022-05-10干粉灭火器报废年限规定
- 2022-05-10干粉灭火器年检周期
- 2022-05-04常见消防器材及其使用方法
- 2022-04-30中国气体灭火系统灭火剂充装现状和管理
- 2022-04-27微型消防站建设标准及要求
- 2022-01-02我国气体灭火系统灭火剂充装现状和管理
- 2022-01-02气体灭火系统灭火剂充装规定 XF1203-2014
- 2022-01-02柜式七氟丙烷气体灭火装置安装示意图
- 2021-12-27七氟丙烷气体灭火系统
- 2021-04-01干粉灭火器的特性及使用注意事项
-
二氧化碳灭火器
泉州消防维保维修检测干粉灭火器、二氧化碳、水基灭火器、泡沫等灭火器,泉港惠安永春德化南安安溪量大上门取送。我公司维修各种型号灭火器的能力。从瓶体试压,药剂灌装到产品烘干及密封检测的整个维修过程 -
七氟丙烷药剂充装步骤
泉州七氟丙烷系统安装、调试、使用、维护《气体灭火系统设计规范》的规定,晋江七氟丙烷灭火系统的安装和运行使用应由经过专业培训的人负责南安七氟丙烷气体灭火安装规范泉港七氟丙烷气体灭火系统安装调试 -
柜式七氟丙烷
七氟丙烷_七氟丙烷灭火装置_管网式七氟丙烷灭火系统_七氟丙烷充装维修_柜式七氟丙烷_柜式七氟丙烷灭火装置_气体灭火设备厂家 -
灭电型45升推车式水基灭火器
灭电型45升推车式水基灭火器灭电型45升推车式水基灭火器水基灭火器,药剂主要成分表面活性剂等物质和处理过的纯净水搅拌。以液态形式存在,因此简称水基型灭火器。水基型(水雾)灭火器在喷射后,成水雾状,瞬间



